Gregory Bender
  • Technical information
  • New topics
  • Resources
  • Products
Gregory Bender
Gregory Bender
Gregory Bender
 
  1. Technical information
  2. Suzuki DR350

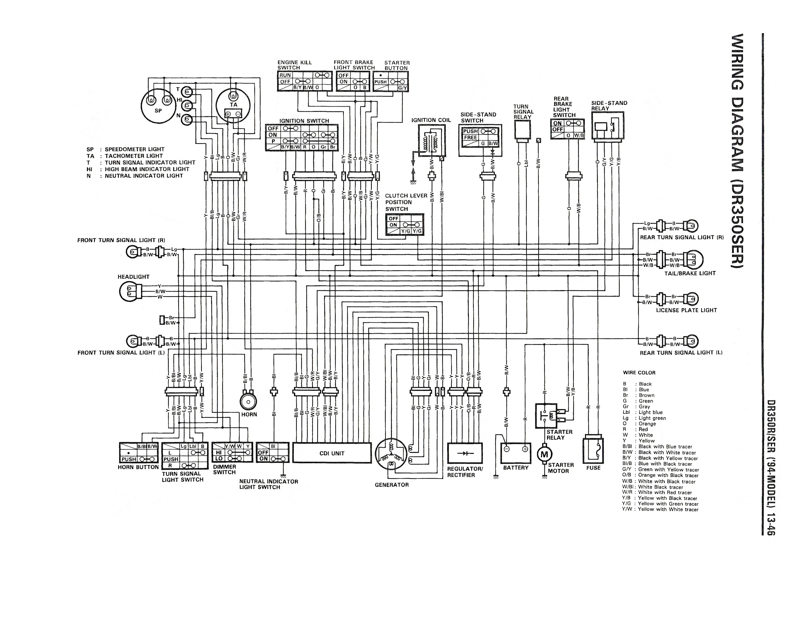
Wiring diagram for the DR350 SE (1994 and later models)

Suzuki DR350 motorcycles, 1990 - 1999.

Created: 2016 July 20
Updated: 2016 August 09

View more topics related to Suzuki DR350

Wiring diagram for the DR350 SE (1994 and later models)
Wiring diagram for the DR350 SE (1994 and later models)

Photo courtesy of Gregory Bender.

Wiring diagram for the DR350 SE (1994 and later models)

Photo courtesy of Gregory Bender.

Direct link to image

View more topics related to Suzuki DR350

  • About
  • History
  • Contact
  • Privacy
  • Site map
© 2000 – 2026 Gregory Bender

Scroll